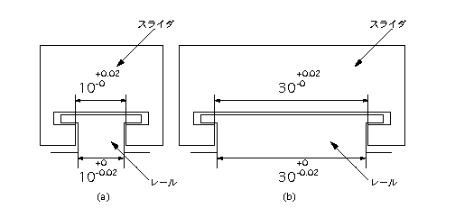
搬送物が大きくなったので、スライダを新しく設計した。稼動開始後しばらくして、スライダがロックする不具合が発生した。図のように、スライダとレール間の寸法公差(b)を従来の(a)と同じレベルで設計したので、レールの熱膨張ですきまがなくなったことが、原因であった。


図 スライダの寸法公差

 スライダの最小とレールの最大で、そもそもゼロゼロに設定するのがおかしかった。

【設計のアドバイス】
 熱膨張量はもとの寸法が変われば変化する。寸法を変える場合は、熱膨張量を考慮して寸法公差のレベルを決める。