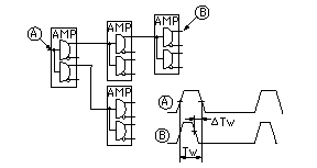
信号の本数を増加するために、1:nのアンプ(AMP)を図のように、直列に接続したところ、パルス幅が変化した。このアンプは信号の立上り側と立下り側のディレイに差があり、アンプを同極性で多段に接続したため、出力信号のパルス幅が△Twだけ変化した。対策として、パルス幅変動を打ち消すように、接続をアンプ出力の反転出力側(図の中のLSIにおいて、○がついている出力側)に変更した。


図 アンプの直列接続によるパルス幅の変化