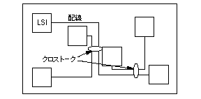
図1に示す配線基板を設計したところ、回路に図2のような許容値を超えるノイズが発生した。近接の配線間に、容量結合や誘導結合が生じ、その結果、信号が誘起されたためである。これをクロストークノイズと呼ぶ。


図 1.配線基板とクロストーク発生個所


図 2.クロストークノイズによる波形歪

【設計のアドバイス】
 クロストーク防止として、ペア配線を用いた差動伝送が有効である。